
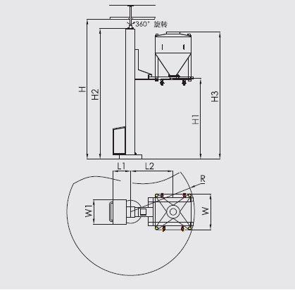
Эта машина в основном используется для подъема и подачи квадратной нержавеющей стали перевернутый бункер. Может использоваться в сочетании с прессом, смесителем, гранулятором и другим оборудованием. широко используется в фармацевтической, химической и пищевой промышленности и других отраслях промышленности.
Машина состоит только из стойки, вращающегося шасси, вилочного погрузчика, гидравлической системы и системы управления. Во время работы бункер, заполненный материалом, толкается на вилку подъема, управляет подъемным стержнем, поднимает бункер на высоту подачи, вращающаяся стойка стыковается с устройством подачи, открывает клапан - бабочка разгрузки, материал переносится на следующее технологическое оборудование.
Эта машина является новой моделью, разработанной нашей компанией посредством широкого поглощения и переваривания зарубежных технологий в сочетании с национальными условиями Китая. Конструкция рациональная, эксплуатационная стабильность, высокие характеристики безопасности, множественная защита безопасности, вращающийся тормоз, замок безопасности положения разгрузки.


Предыдущая статья:Вакуумные загрузчики серии ZSL - III
Следующий пост:YS ковш с псевдоожиженным слоем